站内搜索:
联系我们
联系电话
透光孔
产品名称:透光孔
时间:2013/1/18 18:12:23
浏览次数:

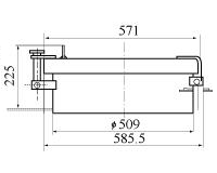
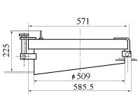
透光孔安装在储罐顶部,供罐内采光。A型装于平锥顶罐;B型装于拱顶罐;C型装于重质油罐。生产和检验标准:SY/T0525.4-93《石油储罐钢制孔类附件》。




   
       
           
           
           
       
       
           
           
           
       
       
           
           
           
       
       
           
           
           
       
   
轻油拱顶罐(TGK-A)轻油平顶罐(TGK-B)  透光孔
轻油拱顶罐轻油平顶罐透光孔
重油拱顶罐(TGK-C型)重油平顶罐(TGK-D)透光孔
重油平顶罐重油平顶罐透光孔

 
   
       
           
           
           
       
       
           
           
           
       
       
           
           
           
       
       
           
           
           
       
       
           
           
           


型号规格重量KG
TGK-ADN50045
TGK-BDN50048
TGK-CDN50020
TGK-DDN50026

相关链接:透光孔
上一篇:人孔
下一篇:储罐透光孔